【摘要】肉芽组织增生和痰液潴留是T管置入后最多见的并发症。近期,我们遇到了1例罕见的儿科T管置入后并发症——侧支破裂,呈现给大家,供大家参考。
【病例报道】患儿男性,12岁。9月前因脊髓动静脉畸形行手术治疗,术后气管插管,数天后因肌无力行气管切开。后出现声门下塌陷狭窄(图1),2024.4月于我科行儿科MontgomeryT管置入术(32009R),术后每月规律随访。2024.6月,患儿行术后第2次随访时,在T管侧支和下支拐角处发现一球形痰栓样物(图2),予吸引清理,未能清除,后尝试活检钳钳夹,仍不能清除,后晃动T管侧支发现真实情况为T管侧支破裂,进而气管黏膜暴露,局部水肿隆起。为避免T管侧支破裂进一步加重,导致侧支断裂,我们对T管进行了更换。但考虑到T管侧支已破裂,且患儿气切窦口较紧,在拔出T管过程中,有可能导致T管侧支完全断裂,造成T管腔内部分移位阻塞气道造成窒息风险,因此我们术前准备了儿科硬镜(7.5号),儿童气切套管(6.5号),儿科气管插管(5.5号及6号)以及紧急情况下的通气策略。T管取出过程较为顺利,未发生侧支断裂的情况,随后我们重新置入了新的儿童T管。
取出的T管显示在T管侧支与下支交界拐角处,可见大小约3×3mm的破孔(图3+视频)。与患者家属交流,诉在护理过程中,因患儿咳痰力弱,经常用力上抬及下压T管侧支,帮助患儿排痰及方便吸痰操作,考虑反复上抬及下压侧支产生的剪切力,是造成T管侧支破裂的可能原因。

图1声门下气管塌陷狭窄

图2 T管侧支拐角处痰栓样物

图3 T管取出后可见侧支与下支拐角处破裂
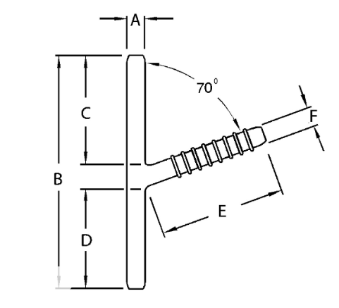
【讨论】肉芽组织增生和痰液潴留是T管置入后最多见的并发症。此外还有T管整体被吸入气道、T管侧支安全帽被吸入气道的报道,均见于成人。T管整体吸入气道的原因,一类是由于侧支修剪过短,或者患者颈部过于肥胖,T管侧支长度相对较短导致的;还有一类是在护理吸痰过程中,患者剧烈咳嗽,产生较大负压,导致T管整个或安全帽脱落被吸入。相对成人而言,儿童放置T管的数量更少,因此并发症更罕见。文献报道有1例儿童患者,在更换T管过程中,出现侧支完全断裂,在医生尝试取出体内断裂部分的T管时,患者出现血氧下降。由于医生通过气切窦道能够看到T管的破口,进而通过破口送入一个气切套管维持通气,然后通过硬镜将体内断裂T管完整取出。本例T管破裂的患者也为儿童,考虑家长反复上抬及下压侧支产生的剪切力是造成T管侧支破裂的主要原因。与成人T管不同,儿科T管侧支与T管主体之间非直角设计,而是锐角(70°),目的是为了方便吸痰,但这种设计是否是造成儿童T管侧支容易断裂的原因,尚有待讨论。此外,相对成人T管,儿童T管的管壁似乎更加柔软和轻薄,材质上的差别是否也是影响因素之一,也需要进一步探讨。

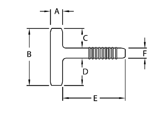
图4成人标准T管

图5儿科T管
【小结】T管护理需要由较为专业和固定的人员完成。对于刚放置T管的患者及家属,要充分进行宣教,向其说明T管护理的注意事项、可能出现的并发症,及紧急情况的处理原则,以免造成严重的危及生命的并发症。儿童气道直径细,放置T管后排痰相对更困难,加之儿童T管侧支的特殊设计,护理时需更加注意,避免类似并发症的产生。


